这本书是台达电子公司基于十年PLC开发经验编写的一本实用编程指南,主要介绍了DVP系列PLC的WPLSoft软件编程技巧。内容涵盖了基本指令、应用指令以及各种典型实例,既有针对性又很全面,图文并茂的设计让学习过程更直观。书中详细讲解了从简单控制回路到复杂系统设计的各种程序范例,比如三相电机正反转控制、交通灯控制等,实用性非常强。
我觉得这本书特别适合PLC编程的学习者和从业者参考,尤其是对台达DVP系列PLC感兴趣的人群。对于刚入门的新手来说,书中的实例和说明可以帮助快速上手;而对于有一定经验的工程师,也能从中学习到更高级的应用技巧。整体来看,这本书不仅内容丰富,而且结构清晰,是一本非常值得收藏的技术参考书。
此外,书中还增加了最新的PLC软硬件技术和网络连线设计范例,进一步提升了它的实用价值。无论是理论学习还是实际项目应用,都能提供很大的帮助。如果能结合软件包中的PDF文件一起使用,效果会更好。总体来说,这本书是一个不错的编程学习资源,值得推荐给相关领域的工程师和学习者。
台达dvp-plc编程技巧:WPLSoft软件篇是台达电子工业股份有限公司开发的一款plc编程图书,是台达电子集团10年plc产品开发经验的基础上,组织多位资深研发专家和应用专家合力编写而成的,是对各行各业plc应用经验的全面总结,也是plc编程理论的系统概括。台达dvp-plc编程技巧在内容上即有针对性又有综合性,即对plc的基本指令与应用指令逐条精讲,列举有针对性的程序实例。同时针对典型实例进行说明,力求简洁实用,图文并茂,让读者能快速掌握台达dvp系列plc的编程技术。
ps:这里小编提供的是台达dvp-plc编程技巧pdf下载,pdf高清无水印版,欢迎免费下载。
内容简介
《台达dvp-plc编程技巧:WPLSoft软件篇》是由台达电子工业股份有限公司编著,主要介绍了台达DVP—PLCWPLSoft软件的编程设计范例,修订时增加了众多最新的PLC软硬件技术知识和应用实例,内容简洁实用、图文并茂。全书共分16章,分别为基本程序设计范例,计数器设计范例,定时器设计范例,变址寄存器E、F设计范例,应用指令程序流程设计范例,应用指令传送比较控制设计范例,应用指令四则运算设计范例,应用指令旋转位移设计范例,应用指令数据处理设计范例,应用指令高速输入/输出设计范例,应用指令浮点数运算设计范例,应用指令通信设计范例,应用指令万年历时间设计范例,应用指令简单定位设计范例,便利指令设计范例和网络连线设计范例。
其中,内文列举了大量有关编程的实例,您可以直接移植或引用。再版时,创作团队重点对应用指令通信设计范例、应用指令简单定位设计范例、便利指令设计范例与网络连线设计范例进行修订和补充。
《台达dvp-plc编程技巧:WPLSoft软件篇》既可作为PLC程序设计师的实用编程学习用书,也可作为业界相关人员的实用参考书。
台达dvp-plc编程技巧目录
前言
1、基本程序设计范例
1.1串联动断触点回路
1.2并联方块回路
1.3上升沿产生一个扫描周期脉冲
1.4下降沿产生一个扫描周期脉冲
1.5自锁控制回路
1.6互锁控制回路
1.7上电时参数的自动初始化
1.8传统自保持回路与SET/RST应用
1.9自保持与解除回路(SET/RST)
1.10交替输出回路(输出具停电保持)
1.11条件控制回路
1.12先入信号优先回路
1.13后入信号优先回路
1.14地下停车场出入口进出管制
1.15三相异步电动机正反转控制
1.16程序的选择执行
1.17手自动控制(MC/MCR)
1.18步进方式手自动控制(STL)
2、计数器设计范例
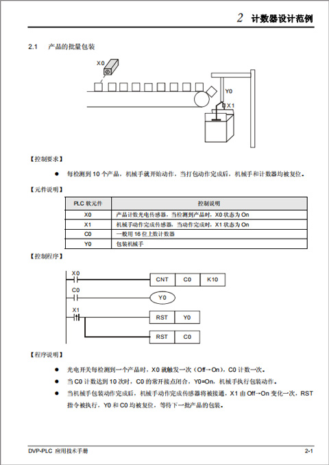
2.1产品的批量包装
2.2产品日产量测定(16位上数停电保持计数器)
2.3产品出入库数量监控(32位上下数计数器)
2.43个计数器构成的24h时钟
2.5AB相脉冲高速计数
3、定时器设计范例
3.1延时Off程序
3.2延时On程序
3.3延时On/Off程序
3.4依时序延时输出(3台电动机顺序启动)
3.5脉波波宽调变
3.6人工养鱼池水位监控系统(闪烁电路)
3.7崩应测试系统(延长计时)
3.8电动机星一三角降压启动控制
3.9大厅自动门控制
3.10液体混合自动控制系统
3.11自动咖啡冲调机
3.12洗手间自动冲水控制程序
3.13一般定时器实现累计型功能
3.14一般定时器实现示教功能
3.15“自切断”定时器
3.16有趣的喷泉
3.17交通灯控制
4、变址寄存器E、F设计范例
4.1连续D总和计算
4.2产品配方参数调用
4.38组电位器控制2台04DA的电压输出
更多内容参考软件包中的pdf文件。
台达dvp-plc编程技巧pdf内容预览
目录
主要内容




























共有 0条评论